高難螺絲研發定製專家工匠沉澱 · 軍工技藝 · 高難定製

24小時服務熱線:13149943113

服務熱線:400-8375-866

首頁 新聞資訊

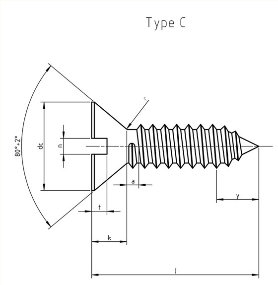
一字槽沉頭螺絲80°和90°的區別?

2018-12-11 14:06:34 www.aquabnk.com

华体会app官网批發價格

在沉頭螺絲裏麵,一字槽的使用有的人喜歡有的人不喜歡,喜歡的人覺得這個槽型很方便他使用;不喜歡的人覺得這種槽型不是他喜歡的,他不想要,或者他覺得一字槽很容易被破壞等。那麼一字槽沉頭螺絲80°和90°有什麼區別嗎?

一字沉頭螺絲

1.很明顯的一個區別是角度的不同,其中的一字槽沉頭螺絲一個是80°,一個是90°。

2.頭部的直徑不一樣。在同樣的螺紋直徑下,不同的角度會導致頭部的直徑也不一樣。

3.頭部的厚度不一樣。在同樣的螺紋直徑下,不同的角度也會導致頭部的厚度不一樣。

4.一字槽沉頭螺絲在同樣規格下,標準的一字槽的槽寬和槽深也是不一樣的。


一字槽沉頭螺絲

一字槽沉頭螺絲

一字槽沉頭螺絲

一字槽沉頭螺絲

在上麵中,同樣都是M3的螺紋直徑,80°的頭部直徑是5.2mm-5.5mm,頭部厚度是1.7mm,槽寬是0.8mm,槽深是0.5mm-0.75mm。在90°的一字槽沉頭螺絲中,頭部直徑是5.3-5.6mm,頭部厚度是1.65mm,槽寬是0.8mm,槽深是0.6mm-0.85mm

一字沉頭螺絲

如果想要一字槽沉頭螺絲,歡迎加微信:13662281868,世世通螺絲廠家免費提供價值2600元的定製方案一套,並且所有加微信的朋友可獲得價值380元的樣品(僅限前10名)。

聯係螺絲廠家

網友熱評

Baidu
map